Slovarm rozsdamentes acél sarokszelep készlet kerámia szelepfelsőrésszel 1/2-3/8 400260

- Raktáron bővebb info
- Boltban személyesen azonnal átvehető budapesti (Újpest) üzletünkben
- Boltban személyesen azonnal átvehető nyíregyházi üzletünkben
- Házhoz szállítás 1400 Ft
- Ezt a terméket kérheted MPL csomagautomatába és MPL postapontra is
- Ezt a terméket kérheted FOXPOST csomagautomatába is
- Fizetési módok online bankkártyás fizetés, utánvét, előre utalás
- 2 év garancia
Kapcsolódó termékek
Slovarm rozsdamentes acél sarokszelep készlet kerámia szelepfelsőrésszel 1/2-3/8 400260 - Netkazán adatlap
A Slovarm rozsdamentes acél sarokszelep készlet kerámia szelepfelsőrésszel 1/2-3/8 400260 adatai
- A folyadék maximális hőmérséklete : 65°C
- Rövid ideig tartó hőmérséklet-túllépés : 90°C
- Folyadék típusa : víz
- Nyomástartomány: akár 1 MPa
- Anyag : rozsdamentes acél SUS304
- Szelepfelsőrész – sárgaréz, felületi kezelés nélkül
- Kerámia szeleplapocskák – alumínium-oxid Al2O3
- Műanyag alkatrészek + tömítőelemek – a meghatározott üzemi nyomásnak és hőmérsékleteknek ellenálló anyag
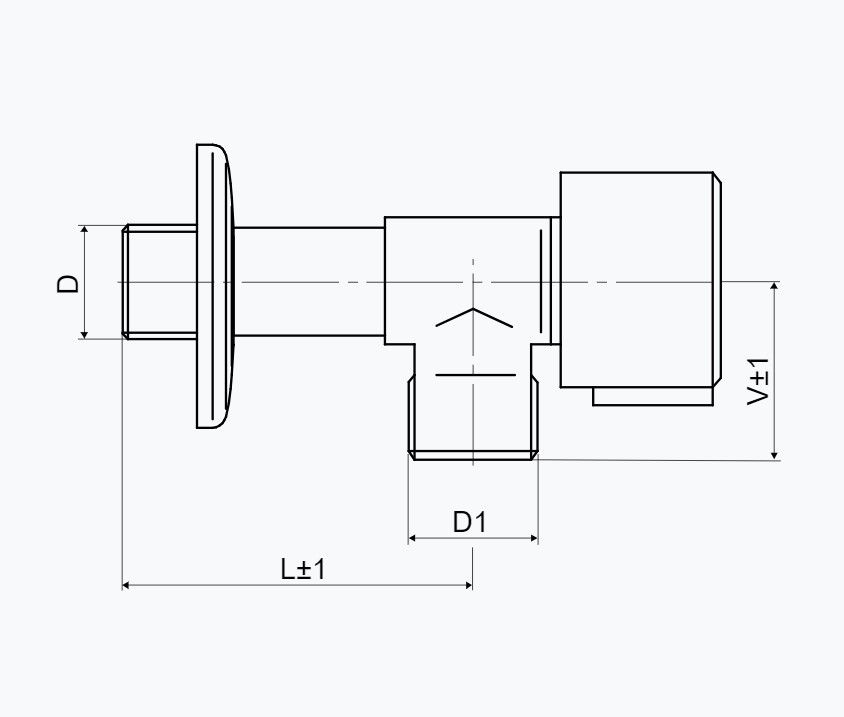
| L± | mm | 47 |
| V± | mm | 29 |
Gyártói adatok
Slovarm, a.s. Dolná 1259/2 907 01 Myjava Slovenská republika +421 34 657 2177 https://www.slovarm.sk/sk
Leírás
A Slovarm rozsdamentes acél sarokszelep készlet kerámia szelepfelsőrésszel 1/2-3/8 400260 fő funkciója, hogy elzárja a víz útját egy adott vízvezeték szakaszban. A rozsdamentes acél ellenáll a rozsdásodásnak és a korróziónak, ami különösen fontos nedves környezetben, ezáltal a szelep hosszú élettartamú és megbízható marad. A felülete sima és könnyen tisztítható, ami megakadályozza a baktériumok és a szennyeződések megtapadását, valamint erős és tartós anyag, amely ellenáll a mechanikai sérüléseknek és a nyomásnak. Mindkét végén szabványos csatlakozással rendelkezik, ami megkönnyíti a beépítést és kompatibilisé teszi a legtöbb vízvezeték rendszerrel.

Eltérés esetén minden esetben a gyártó által megadott paraméterek érvényesek. (ÁSzF 5.7.2.)